Оберіть мову сайту

UA
UA
RU
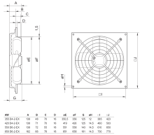
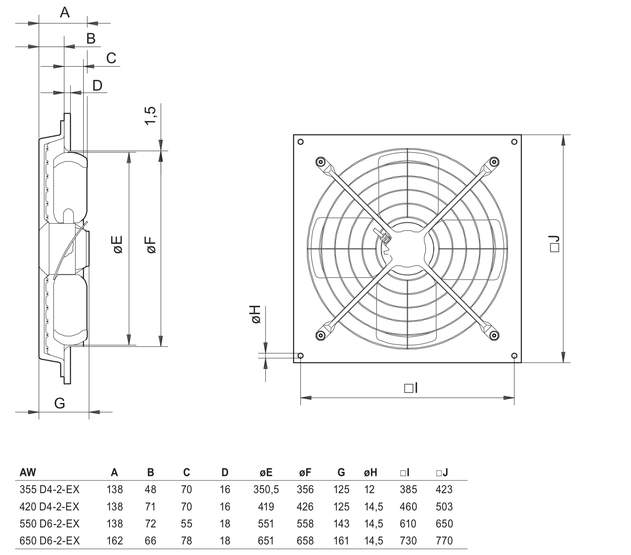
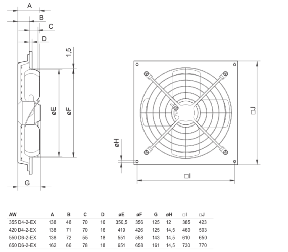
  • Вибухозахищений осьовий настінний вентилятор Systemair AW 550 D6-2-EX Швеція

    Все про товар
    Характеристики
    Відгуки
    Основні характеристики Вибухозахищений осьовий настінний вентилятор Systemair AW 550 D6-2-EX Швеція
    Виробник:
    Країна виробник:
    Швеція
    Витрата повітря:
    6516 м3/год
    Діаметр підключення:
    551 мм
    В наявності
    Ціна на запит
    Умови доставки

    ДОСТАВКА ТОВАРУ ПО УКРАЇНІ

    Умови оплати

    Оплата Готівкою, Visa/MasterCard, Приват24, Кредит, Оплата частинами, Миттєва розстрочка, Безготівковими

    Гарантійне обслуговування

    Гарантія 12 місяців, обмін/повернення товару протягом 14 днів

    Монтаж

    Наша компанія здійснює монтаж будь-якої складності під ключ. Гарантія на монтаж

    Основні характеристики Вибухозахищений осьовий настінний вентилятор Systemair AW 550 D6-2-EX Швеція
    Виробник:
    Країна виробник:
    Швеція
    Електрична потужність:
    0,34 кВт
    Витрата повітря:
    6516 м3/год
    Діаметр підключення:
    551 мм
    Вага:
    15 кг
    Довжина/висота/ширина:
    650/143/650 мм
    Рівень шуму:
    67 дБ
    Вибухозахищений осьовий настінний вентилятор Systemair AW 550 D6-2-EX Швеція
    В наявності
    Ціна на запит
    Переглянуті товари