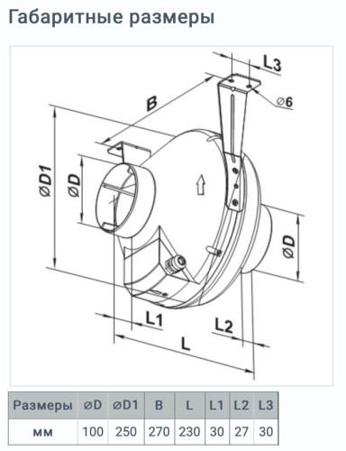
Вентс ВК 100 вентилятор канального типу з крихтим перетином підключення. Має пластиковий корпус із міцного АБС пластику та високу герметичність. Ідеально підходить для застосування в припливно-витяжних системах в офісах, торгових та інших приміщеннях. Корпус канального вентилятора не боїться вдаги. Таким чином, можна встановлювати як виятжну систему в басейнах, кухнях та інших приміщеннях з високою вологістю.
У Вентс ВК застосовують однофазні двигуни із загнутими назад лопатками. Термін служби до 40000 годин і мають клас захисту IPX4

